- 产品特点
 - 可以无错传输高速率高频(同轴射频)信号;
 - 支持1路DC~18GHz高频(同轴射频)通道;
 - 可混合1~96路功率/信号通道;
 - 优越的插入损耗与电压驻波比;
 - 适用用于卫星天线、车载、雷达、微波天线测试台等领域;
 
订购型号说明
		 
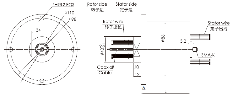
外形图纸
		 
标准型号列表
			| 型号# | 射频通道数 | 工作频率范围 | 10A电流路数 | 2A信号路数 | L长度 | 
| HF0118-86-0610 | 1通路 | DC∼18GHz | 6 | 0 | 48 | 
| HF0118-86-06S | 1通路 | DC∼18GHz | 0 | 6 | 48 | 
| HF0118-86-0610-06S | 1通路 | DC∼18GHz | 6 | 6 | 72 | 
| HF0118-86-1210 | 1通路 | DC∼18GHz | 12 | 0 | 72 | 
| HF0118-86-12S | 1通路 | DC∼18GHz | 0 | 12 | 72 | 
| HF0118-86-0610-12S | 1通路 | DC∼18GHz | 6 | 12 | 96 | 
| HF0118-86-1810 | 1通路 | DC∼18GHz | 18 | 0 | 96 | 
| HF0118-86-18S | 1通路 | DC∼18GHz | 0 | 18 | 96 | 
| HF0118-86-0610-18S | 1通路 | DC∼18GHz | 6 | 18 | 120 | 
| HF0118-86-1210-12S | 1通路 | DC∼18GHz | 12 | 12 | 120 | 
| HF0118-86-2410 | 1通路 | DC∼18GHz | 24 | 0 | 120 | 
| HF0118-86-24S | 1通路 | DC∼18GHz | 0 | 24 | 120 | 
| HF0118-86-0610-30S | 1通路 | DC∼18GHz | 6 | 30 | 168 | 
| HF0118-86-1210-24S | 1通路 | DC∼18GHz | 12 | 24 | 168 | 
| HF0118-86-3610 | 1通路 | DC∼18GHz | 36 | 0 | 168 | 
| HF0118-86-36S | 1通路 | DC∼18GHz | 0 | 36 | 168 | 
| HF0118-86-0610-42S | 1通路 | DC∼18GHz | 6 | 42 | 216 | 
| HF0118-86-1210-36S | 1通路 | DC∼18GHz | 12 | 36 | 216 | 
| HF0118-86-2410-24S | 1通路 | DC∼18GHz | 24 | 24 | 216 | 
| HF0118-86-4810 | 1通路 | DC∼18GHz | 48 | 0 | 216 | 
| HF0118-86-48S | 1通路 | DC∼18GHz | 0 | 48 | 216 | 
| HF0118-86-2410-36S | 1通路 | DC∼18GHz | 24 | 36 | 264 | 
| HF0118-86-6010 | 1通路 | DC∼18GHz | 60 | 0 | 264 | 
| HF0118-86-60S | 1通路 | DC∼18GHz | 0 | 60 | 264 | 
| HF0118-86-2410-48S | 1通路 | DC∼18GHz | 24 | 48 | 312 | 
| HF0118-86-7210 | 1通路 | DC∼18GHz | 72 | 0 | 312 | 
| HF0118-86-72S | 1通路 | DC∼18GHz | 0 | 72 | 312 | 
| HF0118-86-96S | 1通路 | DC∼18GHz | 0 | 96 | 360 | 
| HF0118-86-120S | 1通路 | DC∼18GHz | 0 | 120 | 408 | 
hf0118-86系列滑环技术规格参数
		| 接口类型 | SMA 母头–SMA 母头(50欧姆) | 
| 工作频率范围 | DC ~ 18 Ghz | 
| 驻波比(最大值) | 1.3@DC ~ 10 GHz 1.4@10 ~ 18 GHz  | 
		
| 驻波比360度变化 (最大值)  | 
			0.05 | 
| 峰值功率(最大值) | 3000W | 
| 转动速度(最大值) | 50RPM | 
| 启动力矩(最大值) | 0.5牛·厘米 | 
| 接口轴向荷载 (最大值)  | 
			±0.1牛 | 
| 绝缘材料 | 聚四氟乙烯 | 
| 温度(环境范围) | -30 ~ +85℃ (操作环境) -30 ~ +85℃ (储存环境)  | 
		
| 湿度(环境范围) | 95% (操作环境) 85% (储藏环境)  | 
		
| 类型 | I型直通 | 
| 相位360度变化 (最大值)  | 
			1° | 
| 插入损耗(最大值) | 0.25 dB @ DC ~ 10 GHz 0.30 dB @10 ~ 18 GHz  | 
		
| 插损360度变化 (最大值)  | 
			0.05 dB | 
| 平均功率(最大值) | 500 W @1 GHz 200 W @6GHz 100 W @12 GHz 30 W @18GHz  | 
		
| 转动力矩(最大值) | 0.5 牛·厘米 | 
| 接口径向荷载 (最大值)  | 
			±0.1牛 | 
| 防护等级 | IP 40 acc. EN 60529 | 
		
| 机械技术指标 | |
| 温度(环境范围) | -30℃∼80℃ | 
| 湿度(环境范围) | 0∼85% RH | 
| 接触材料 | 金/金 | 
| 壳体材料 | 铝合金 | 
| 转动扭矩 | 0.05N.m+0.01N.m/6路 | 
| 防护等级 | IP51 | 
| 电气技术指标 | ||
| 参数 | 功率 | 信号 | 
| 额定电压 | 0∼440VAC/VDC | 0∼240VAC/VDC | 
| 绝缘电阻 | ≥500MΩ/500VDC | ≥300MΩ/300VDC | 
| 导线规格 | AWG#17镀银铁氟龙 | AWG#22镀银铁氟龙 | 
| 导线长度 | 标准长度250mm(可按要求调整) | |
| 绝缘强度 | 500VAC@50Hz,60s | |
| 动态电阻变化值 | < 0.01Ω | |
相关产品推荐
	  





